调和器 油品调和器 旋转喷射调和器 旋转喷射式搅拌器 旋转喷射搅拌器 油品调和喷头 高效储罐调和器 调和器 罐用调和器 喷射调和器 旋转调和器 旋转喷射器 自旋转喷射器 管式反应器 切水器 管道过滤器 Y型过滤器 T型过滤器 篮式过滤器 临时过滤器 气体过滤器 原油过滤器 活性碳过滤器 混合器 静态混合器 管道混合器 SQS型汽水混合器 QD/HT型蒸汽减温器 SJF型强化传热混合反应器 JHF型高粘换热混合器 浸没式汽水加热器 自清洗过滤器 手摇刷式过滤器 刷式自清洗过滤器 吸吮式自清洗过滤器 全自动过滤器 空气过滤器 灭菌过滤器 滤件系列 FM金属滤芯 FN非金属滤芯 FP陶瓷滤芯 滤袋系列 精细过滤器 JB袋式精细过滤器 JM金属滤芯精细过滤器 JN非金属滤芯精细过滤器 JP陶瓷滤芯精细过滤器 JO油水聚结分离器 聚结器 SFC自洁式空气精细过滤器 JU油气分离精细过滤器 粉体输送设备 旋转加料器 星形给料机 叶轮给料机 卸料阀 关风机 闭风阀 卸灰阀 星形阀 螺旋输送机 粉体混合设备 WZ无重力粒子混合机 HTM螺条式混合机 DL型螺旋锥形混合机 液体搅拌设备 FA,VA型侧向插入式搅拌机 高剪切混合乳化机 管线式混合乳化机 消声器 特种小型设备 罐下采样器 SJ乏气分油器 SQ蒸汽分水器 SCXQ取样冷却器 采样器 SG视镜 G呼吸阀,阻火呼吸阀 P阻火器 氧气阻火管 中央乙炔回火防止器 内外筒式乙炔回火防止器 氧气用点阀箱 乙炔气用点阀箱 煤气安全阀箱 氧气压力调节阀组 排水器 MGPB型系列煤气冷凝水排水器 1PGB型系列煤气冷凝水排水器 MLPB型系列离心式鼓风机排水器 P1S□单管式煤气管道冷凝水排水器 P2S□单管式煤气管道冷凝水排水器 煤气管道水封器 高效换热器 纸浆漂白专用设备 XGH系列浆氯混合器 QZ-1462型氯气逆止罐 QZ-1463液氯汽化器 氯气吸收器 除污器(滤水器) SDP型自动排污器 热网除污器 卧式除污器 立式除污器 喷射器 PSQ-型蒸汽喷射真空泵 PSG-气固喷射器 PSB电线电缆燃烧仪检测喷射器 PSC活性炭喷射器 PSS水泵房喷射节能器 PSY生物柴油喷射器 PST脱硫喷射器 PSD-地坑喷射器 PSJ喷射加热器 罐用喷射器 PSK开工抽引器 PSZ罐底焊缝真空检漏盒抽空器 气固喷射器 液固喷射器 抽空器 喷射器 纤维除雾器
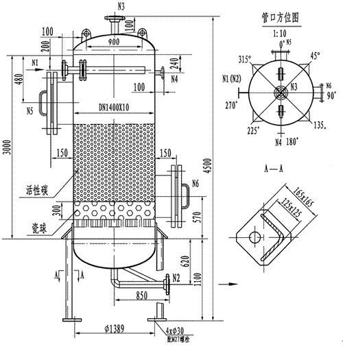
活性碳过滤器