公司简介 公司新闻 综合资讯 产品展示 产品目录 客户反馈 联系我们 电子邮局
主要产品为静态混合器、动态混合设备、传热反应设备、过滤设备、消声设备、阻火设备等

调和器
管式反应器
切水器
管道过滤器
混合器
自清洗过滤器
空气过滤器
灭菌过滤器
滤件系列
精细过滤器
粉体输送设备
粉体混合设备
液体搅拌设备
消声器
特种小型设备
排水器
高效换热器
纸浆漂白专用设备
除污器(滤水器)
喷射器
纤维除雾器

 
 
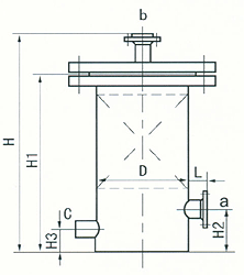
SJ乏气分油器
产品特性

乏气分油器能有效地除掉乏气中夹带的润滑油滴,对保护环境和整个装置正常运行都具有十分重要的意义。我公司生产的SJ型乏气分油器主要技术参数如下:

操作介质:水蒸汽:设计压力:0.3Mpa;设计温度:180℃。

产品规格

型 号
蒸汽入口a
蒸汽出口b
油出口c
公称直径DN
(mm)
公称压力PN
(MPa)
公称直径DN
(mm)
公称压力PN
(MPa)
公称直径DN
(mm)
公称压力PN
(MPa)
SJ-80
80
1.6
80
1.6
Rc3/4
1.6
SJ-100
100
100
SJ-150
150
150
SJ-200
200
200
Rc1

型号
L
D
H
H1
H2
H3
SJ-80
150
219
668
500
150
45
SJ-100
150
219
668
500
150
45
SJ-150
200
377
870
650
230
55
SJ-200
200
529
976
750
300
55



订货说明

1、本系列设备已按蒸汽管尺寸考虑了相应的分油面积,用户直接根据蒸汽管径选用。

2、本系列设备接管法兰按HG20592—97标准,也可提供GB、SH、JB、ANSI、JIS等标准管法兰,但订货时,用户必须注明。

3、本系列设备材质为碳钢,用户如选用不锈钢等材料,订货时应注明。

南通天蓝石化设备有限公司 地址:启东市台角工业园区跃龙路18号 邮编:226200 http://www.ntjlyj.com E-mail:13862980289@126.com
电话:0513-83750261 手机:13862980289 调和器旋转喷射器 | 调和喷头