公司简介 公司新闻 综合资讯 产品展示 产品目录 客户反馈 联系我们 电子邮局
主要产品为静态混合器、动态混合设备、传热反应设备、过滤设备、消声设备、阻火设备等

调和器
管式反应器
切水器
管道过滤器
混合器
自清洗过滤器
空气过滤器
灭菌过滤器
滤件系列
精细过滤器
粉体输送设备
粉体混合设备
液体搅拌设备
消声器
特种小型设备
排水器
高效换热器
纸浆漂白专用设备
除污器(滤水器)
喷射器
纤维除雾器

 
 
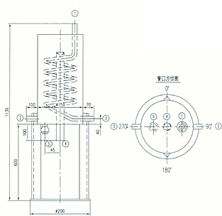
SCXQ取样冷却器

  取样冷却器适用于温度较高的液体和气体等介质取样,具有结构紧凑、传热效率高、清洗方便、使用寿命长等优点,广泛用于石油、化工、轻工、电力等部门的、加热、换热,冷却器也可做为油泵的自封冷却器。

  


1、单一相取样冷却器SCXQ—IA
单-相取样冷却器主要性能表
管道
设计压力
3.92MPa
壳程
设计压力
常压
设计温度
350℃
设计温度
60℃
操作介质
/
操作介质
换热面积:0.084m2
单-相取样冷却器管口说明表
规格型号
(施工图图号)
操作介质
盘管材质
设备开口DN
1
2
3
4
5
SCXQ-1A-1(S5-10-1)
油 品
20
15
15
20
25
G1/2
SCXQ-1A-2(S5-10-2)
含硫油品
1Cr18Ni9Ti
15
15
20
25
G1/2
SCXQ-1A-3(S5-10-3)
油 气
20
15
8(外)
20
25
G1/2
SCXQ-1A-4(S5-10-4)
含硫油气、氢气
1Cr18Ni9Ti
15
8(外)
20
25
G1/2


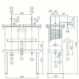
2、双联取样冷却器SCXQ-IB

双联取样冷却器主要性能表
管道
设计压力
0.58MPa
壳程
设计压力
0.58MPa
设计温度
172℃
设计温度
60℃
操作介质
汽、水
操作介质
换热面积:1.04m2
双联相取冷却器管口说明表
编号
名称
数量
公称直径DN
公称压力PN
备注
1
水蒸汽入口
2
10
/
2
水蒸汽出口
2
10
/
3
冷却水入口
1
40
2.0
4
冷却水出口
1
40
2.0
5
排水口
1
50
/
6
上排空口
2
G1/2
/
带管塞
7
下排空口
2
G1/2
/
带管塞


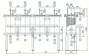
3、四联取样冷却器SCXQ-IC
四联取样冷却器主要性能表

管道
设计压力
4.62MPa
壳程
设计压力
0.58MPa
设计温度
275℃
设计温度
60℃
操作介质
汽、水
操作介质
换热面积:2.08m2


编号
名称
数量
公称直径DN
公称压力PN
备注
1
水蒸汽入口
4
10
/
2
水蒸汽入口
4
10
/
3
冷却水入口
1
40
2.0
4
冷却水出口
1
40
2.0
5
排水口
1
50
/
6
上排空口
2
G1/2
/
带管塞
7
下排空口
2
G1/2
/
带管塞

  返回
   
   
南通天蓝石化设备有限公司 地址:启东市台角工业园区跃龙路18号 邮编:226200 http://www.ntjlyj.com E-mail:13862980289@126.com
电话:0513-83750261 手机:13862980289 调和器旋转喷射器 | 调和喷头